0.2KProduct Name:Broadband Horn Antenna
Product Model:ZJ-LBTX-180400-K,18-40(GHz)
Product Code:60.06.012.0043
Technical Specifications:
| Frequency | 18GHz-40GHz |
| VSWR | ≤2.0 (typ.) |
| Gain | ≥12dBi (typ.) |
| Polarization | Linear Polarization |
| Beamwidth | 15°~50° |
| Interface | 2.92-50K |
| Dimensions (L×W×H) | ≤35*30*73mm |
| Appearance | Black Matte |
| Weight | ≤0.2kg |
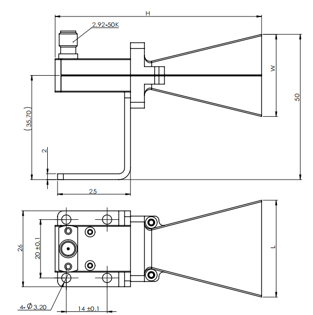
Appearance Structure:
![]() | ![]() |
![]() | ![]() |
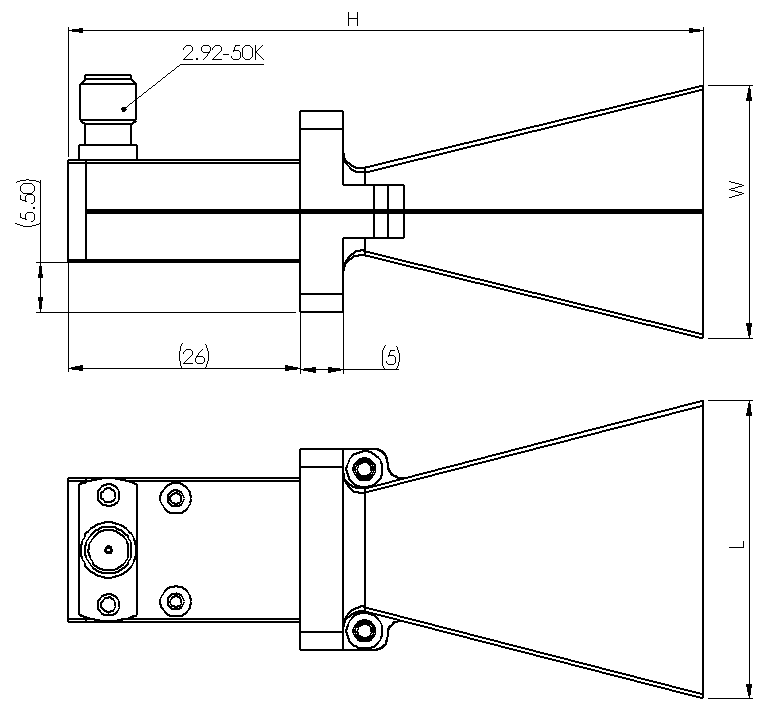
Dimensions of the curved panel:
![]() | ![]() |
Test Report:
Antenna VSWR

Gain curve

Direction


