
Instrumentation
Test Setups
Number | Model | Frequency (GHz) | Interface type | VSWR | Attenuation value (dB) | Material | Temperature (℃) |
60.06.040.0228 | 10dB | DC-18 | SMA male- SMA female | 12.4GHz ≤ 1.25 12. 4-18GHz ≤ 1.4 | DC-12.4GHz 10±0.6dB 12.4-18GHz 10±0.9dB | Inner conductor: Bronze gold plated Outer conductor: Stainless steel rust treatment | -10~+85 |
| 60.06.040.0235 | 20dB | DC-18 | SMA male- SMA female | 12.4GHz ≤ 1.25 12. 4-18GHz ≤ 1.4 | DC-12.4GHz 20±0.9dB 12.4-18GHz 20±1dB | Inner conductor: Bronze gold plated Outer conductor: Stainless steel rust treatment | -10~+85 |
| 60.06.040.0229 | 30dB | DC-18 | SMA male- SMA female | 12.4GHz ≤ 1.25 12. 4-18GHz ≤ 1.4 | DC-12.4GHz 30±0.9dB 12.4-18GHz 30±1.7dB | Inner conductor: Bronze gold plated Outer conductor: Stainless steel rust treatment | -10~+85 |
| 60.06.040.0230 | 40dB | DC-18 | SMA male- SMA female | 12.4GHz ≤ 1.25 12. 4-18GHz ≤ 1.4 | DC-12.4GHz 40±1.2dB 12.4-18GHz 40±1.3dB | Inner conductor: Bronze gold plated Outer conductor: Stainless steel rust treatment | -10~+85 |
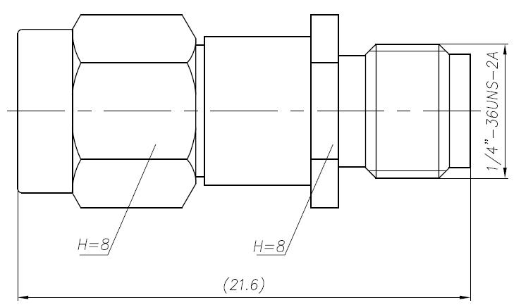
Product Dimensions(mm)
10dB/20dB 30dB/40dB


Test Report
10dB

20dB

30dB

40dB

Note: Actual specifications shall prevail. Current testing is based on sample data. TOJOIN reserves the right of final interpretation.